Welcome to Garys’ Web Page (Updated May 2025)
)
Smith Domain Incorporated
How to make a Seasonal Solar Tracker
Elevation Protractor
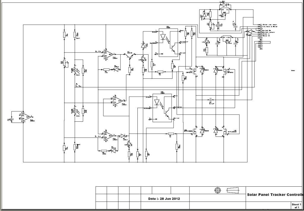
Elevation Schematic
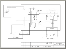
Elevation Switch Box
| An Enjoyable Trip |
| Aviation Events & Links |
| Wagin Airstrip |
| Katanning Weather |
| Katanning Sale Yards |
| 6WA |
| Mothers Memiors |
| Carmans Memiors |
| Amateur Radio |
| Other stuff |
| Suns Azimuth Tracker |
| Sun Solar Tracker |
| Suns Elevation Tracker |
| leaf rake |
| windrow rake |
| Fire Lighter |
| Oil Heater |
| Yamaha HS6/8 |
| Power Monitoring |
| Stappleton Station Bores |
| Smithvale UPS |